



Coduri OE MERCEDES-BENZ: 2474210312, A2474210312
NR. | DENUMIRE | CANTITATE | DETALII |
---|---|---|---|
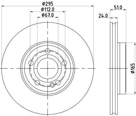
1 | Disc frana HELLA 8DD 355 133-381 | 1 | Tip disc frâna: ventilat interior Diametru exterior [mm]: 295 Grosime disc frâna [mm]: 24 Înaltime [mm]: 51 Grosime minima [mm]: 21,4 Procesare: continut ridicat de carbon Suprafata: acoperit (cu un strat protector) Asezare gauri Ø [mm]: 112 Diametru de centrare [mm]: 67 Asezare gauri/numar gauri: 05/06 Articol completare/Info suplimentar 2: fara butuc roata, fara suruburi de fixare roata Greutate [kg]: 6,8 Montarea/demontarea de personal de specialitate necesară! |
Nu este cazul
oriunde in tara
in 14 zile
gratuita
variate