



Coduri OE JEEP: 1052089269AB, 52089269AB, K52089269AB
NR. | DENUMIRE | CANTITATE | DETALII |
---|---|---|---|
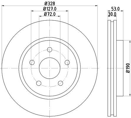
1 | Disc frana HELLA 8DD 355 129-051 | 1 | Tip disc frâna: ventilat exterior Diametru exterior [mm]: 328 Grosime disc frâna [mm]: 30 Înaltime [mm]: 53 Grosime minima [mm]: 28,5 Procesare: continut ridicat de carbon Suprafata: acoperit (cu un strat protector) Diametru interior [mm]: 177,3 Asezare gauri Ø [mm]: 127 Diametru de centrare [mm]: 72 Asezare gauri/numar gauri: 05/05 Diametru alezaj bolț roată [mm]: 16,2 Articol completare/Info suplimentar 2: fara butuc roata, fara rulment roata, fara suruburi de fixare roata Greutate [kg]: 10,2 Montarea/demontarea de personal de specialitate necesară! |
Nu este cazul
oriunde in tara
in 14 zile
gratuita
variate