



Masina selectata
Coduri OE RENAULT: 7701206327, 7701206328, 8671018263
NR. | DENUMIRE | CANTITATE | DETALII |
---|---|---|---|
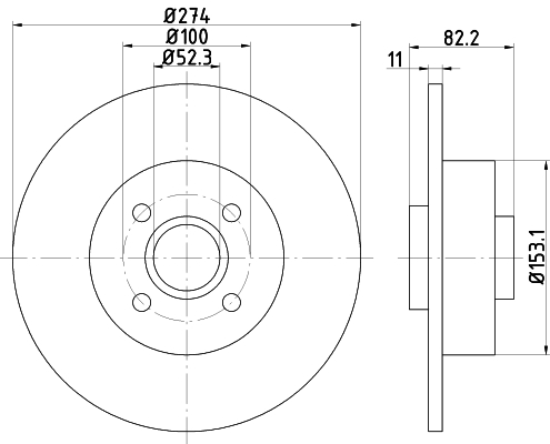
1 | Disc frana HELLA 8DD 355 112-211 | 1 | Tip disc frâna: plin Diametru exterior [mm]: 274 Grosime disc frâna [mm]: 11 Grosime minima [mm]: 9,5 Suprafata: acoperit (cu un strat protector) Înaltime [mm]: 82,2 Asezare gauri/numar gauri: 04/04 Asezare gauri Ø [mm]: 100 Diametru de centrare [mm]: 52,3 Diametru butuc roata [mm]: 25 Articol completare/Info suplimentar 2: cu senzor ABS, cu rulment roata Articol extins/Informatii de extindere: cu piuliță ax Greutate [kg]: 7,1 Montarea/demontarea de personal de specialitate necesară! |
Nu este cazul
oriunde in tara
in 14 zile
gratuita
variate