



Masina selectata
Coduri OE FORD: 1361298, 1361300, 2T141125CA, 2T141125CB, 2T141125CC, 2T141125DA, 2T141125EA, 2T141125EB, 2T141125EC, 4455980, 4367104, 4367105, 4367106, 4457985
NR. | DENUMIRE | CANTITATE | DETALII |
---|---|---|---|
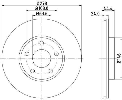
1 | Disc frana HELLA 8DD 355 110-281 | 1 | Tip disc frâna: ventilat interior Diametru exterior [mm]: 278 Grosime disc frâna [mm]: 24 Înaltime [mm]: 44,4 Grosime minima [mm]: 22 Asezare gauri Ø [mm]: 108 Diametru de centrare [mm]: 63,6 Asezare gauri/numar gauri: 05/05 Articol completare/Info suplimentar 2: fara butuc roata, fara suruburi de fixare roata Greutate [kg]: 7 Montarea/demontarea de personal de specialitate necesară! |
Nu este cazul
oriunde in tara
in 14 zile
gratuita
variate